



倒车雷达(Car Reversing Aid Systems)的全称是“倒车防撞雷达”,也称“泊车辅助装置”,是汽车泊车安全辅助装置,能以声音或者更为直观的显示告知驾驶员周围障碍物的情况,解除了驾驶员泊车和起动车辆时前后左右探视所引起的困扰,并帮助驾驶员扫除了视野死角和视线模糊的缺陷,提高了安全性。
系统工作原理
倒车雷达只需要在汽车倒车时工作,为驾驶员提供汽车后方的信息。由于倒车时汽车的行驶速度较慢,和声速相比可以认为汽车是静止的,因此在系统中可以忽略多普勒效应的影响。在许多测距方法中,脉冲测距法只需要测量超声波在测量点与目标间的往返时间,实现简单,因此本系统采用了这种方法。
如图1所示,驾驶员将手柄转到倒车档后,系统自动启动,超声波发送模块向后发射40kHz的超声波信号,经障碍物反射,由超声波接收模块收集,进行放大和比较,单片机AT89C2051将此信号送入显示模块,同时触发语音电路,发出同步语音提示,当与障碍物距离小于1m、0.5m、0.25m时,发出不同的报警声,提醒驾驶员停车。
图1 系统工作原理框图
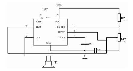
图2 超声波发送模块电路
硬件设计
1、超声波发送模块设计
超声波发送器包括超声波产生电路和超声波发射控制电路两个部分,超声波探头(又称“超声波换能器”)选用CSB40T,可采用软件发生法和硬件发生法产生超声波。前者利用软件产生40kHz的超声波信号,通过输出引脚输入至驱动器,经驱动器驱动后推动探头产生超声波。这种方法的特点是充分利用软件,灵活性好,但需要设计一个驱动电流在100mA以上的驱动电路。第二种方法是利用超声波专用发生电路或通用发生电路产生超声波信号,并直接驱动换能器产生超声波。这种方法的优点是无须驱动电路,但缺乏灵活性。
本设计采用第一种方法产生超声波,电路设计如图2所示。40kHz的超声波是利用555时基电路振荡产生的。其振荡频率计算式为f=1.43/((R 9+2·R 10)·C 5)。将R 10设计为可调电阻的目的是为了调节信号频率,使之与换能器的40kHz固有频率一致。为保证555时基具有足够的驱动能力,宜采用+12V电源。CNT为超声波发射控制信号,由单片机进行控制。
图3 超声波接收模块电路
2、超声波接收模块设计
超声波接收器包括超声波接收探头、信号放大电路及波形变换电路三部分。超声波探头必须采用与发射探头对应的型号,关键是频率要一致,本设计采用CSB40R,否则将因无法产生共振而影响接收效果,甚至无法接收。由于经探头变换后的正弦波电信号非常弱,因此必须经放大电路放大。正弦波信号不能直接被单片机接收,必须进行波形变换。按照上面所讨论的原理,单片机需要的只是第一个回波的时刻。接收电路的设计可采用专用接收电路,也可采用通用电路来实现,如图3所示。
超声波在空气中传播时,其能量的衰减与距离成正比,即距离越近信号越强,距离越远信号越弱,通常在1mV~1V之间。当然,不同接收探头的输出信号强度存在差异。由于输入信号的范围较大,对放大电路的增益提出了两个要求:一是放大增益要大,以适应小信号时的需要;二是放大增益要能变化,以适应信号变化范围大的需要。另外,由于输入信号为正弦波,因此必须将放大电路设计成交流放大电路。为减少负电源的使用,放大电路采用单电源供电,信号放大和变换采用了一片LM324通用运算放大器,前三级为放大器设计,后一级为比较器设计。LM324既可以双电源工作,也可以单电源工作,因此能满足使用要求。为满足交流信号的需要,每一级的放大器均采用阻容电路进行电平偏移,即图3中的C7、C21、C22和C24,容量均为10μF,实现单电源条件下交流信号的放大。对于交流信号而言,电容为短路,因此前三级放大电路的增益均为10。距离较近时,两级放大的增益已能够输出足够强度的信号了,第三级有可能出现信号饱和,但距离较远时,必须采用三级放大。合理调节电位器R27,选择比较基准电压,可使测量更加准确和稳定。
图4 语音电路
3、语音电路设计
语音报警是指当倒车雷达探测到的距离小于所设定的安全值时,发出声音提醒驾驶员,语音电路设计如图4所示。M3720是单声一闪灯报警音效集成电路,芯片内存储一种报警音效,可直接驱动蜂鸣器发声或经外接功放三极管推动扬声器放音,同时还能驱动一只LED闪烁。该芯片各引脚功能为:5脚VDD;1脚VSS分别为电源输入端与负端,VDD电压3~3.5V;8脚X和1脚Y分别为芯片外接振荡电阻器;6脚TG为触发控制端,低电平触发有效;3脚BZ和2脚BB分别为报警音效输出端,可直接外接压电陶瓷蜂鸣器,如果驱动扬声器则由3脚BZ端引出;4脚L为闪灯输出端,可直接驱动LED发光。
关注我们Focus on us
手机网站二维码
个人微信号